XQ系列消防气压给水设备工作原理示意图

稳压泵工作时将水送至给水管网,多余的水进入气压罐后,水室扩大,气室缩小,压力随之升高,当压力升至稳压上限P4时,水泵停转,此时气压罐内被压缩气体的压力将贮存的水送入管网,气压罐的水室缩小,气室扩大,压力随之下降,当压力降至稳压下限P3时,稳压泵又重新启动.如此周而复始,稳压设备不断运行.当发生火情时,消火栓或喷头开启,稳压泵不能满足保压要求,压力继续下降,当压力降至消防工作压力P2时(或其他消防信号反馈)消防主泵自动启动.
| XQ系列消防稳压给水设备主要由气压罐、水泵、电控柜等组装而成。该设备是根据公安部GA30-2002《消防气压给水设备的性能要求和试验方法》的要求下设计的消防专用灭火组合装置。设备设计合理,结构可靠、性能稳定。可在各消火栓系统,自动喷淋系统中配套使用,能满足各种消防设计规范要求。 |
|
|
| 设备型号规格表示法: |
|
|
| 设备常用规格基本参数: |
|
序号 |
型号 |
设计压力 Mpa |
总容积 m3 |
有效水容积 m3 |
进出水 口径 mm |
设备高度 长度 mm |
罐体 直径 mm |
气压罐 重量 (kg) |
|
1 |
XQ□-400 |
0.6-1.0-1.6 |
0.1 |
0.03 |
50 |
1400 |
400 |
120 |
|
2 |
XQ□-600 |
0.6-1.0-1.6 |
0.3 |
0.06 |
50 |
1600 |
600 |
200 |
|
3 |
XQ□-800 |
0.6-1.0-1.6 |
0.8 |
0.15 |
80 |
2300 |
800 |
400 |
|
4 |
XQ□-1000 |
0.6-1.0-1.6 |
1.5 |
0.2 |
100 |
2500 |
1000 |
450 |
|
5 |
XQ□-1200 |
0.6-1.0-1.6 |
2.3 |
0.4 |
100 |
3000 |
1200 |
600 |
|
6 |
XQ□-1400 |
0.6-1.0-1.6 |
3.5 |
0.6 |
100 |
3100 |
1400 |
950 |
|
7 |
XQ□-1600 |
0.6-1.0-1.6 |
4.8 |
1.2 |
100 |
3200 |
1600 |
1100 |
|
8 |
XQ□-1800 |
0.6-1.0-1.6 |
6.5 |
1.8 |
100 |
3400 |
1800 |
1500 |
|
9 |
XQ□-2000 |
0.6-1.0-1.6 |
8.0 |
3.0 |
100 |
3600 |
2000 |
1950 |
|
10 |
XQ□-2200 |
0.6-1.0-1.6 |
14.5 |
5.8 |
100 |
4000 |
2200 |
2500 | |
| |
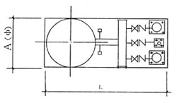
| 设备主要尺寸及安装图: |
| 工作原理: |
| 该设备采用囊式(隔膜)气压给水,当稳压水泵处于低压工作压力P3时,由压力继电器传感信号通过电控箱自动启动水泵向罐内补水,且同时增压,当压力达到高工作压力P4时,稳压水泵自动停止,此时的系统压力在低工作压力P3和高工作压力P4之间变化。
在消防供水状态下,当压力降到主消防泵启动压力P2时,主消防泵自动启动向系统内供水。在主消防失灵而不能供水时,系统压力继续降到设计所允许的低供水压力时,主消防泵自动启动向系统内供水P1时,备用水泵自动启动,确保消防正常供水。 | |
|
|
|
|
感谢您访问我们扬子江泵业的网站www.yzj.cc,如有任何水泵疑问我们一定会尽心尽力为您提供优质的服务。